ZW20A 12 vacuum circuit breaker
Product Overview
ZW20A-12 outdoor high-voltage AC vacuum circuit breaker (hereinafter referred to as circuit breaker) is an outdoor power distribution equipment with a rated voltage of 12kV and three-phase AC 50Hz. It uses vacuum arc extinguishing and SF6 gas as the insulating medium, and is an improved product of ZW20-12 column-mounted vacuum circuit breaker. The box body adopts the gas sealing, explosion-proof and insulating structure technology imported from Japan Toshiba Company VSP5, and the sealing performance of the inlet and outlet conduits has also been improved. The overall sealing performance is excellent, and the SF6 gas filled inside does not leak and is not affected by the external environment. The spring operating mechanism has been miniaturized and optimized for reliability and stability. It adopts the direct chain active and multi-stage tripping system. The reliability and stability of the operation are several times higher than that of the traditional domestic spring operating mechanism: the axis of the main circuit The contact with the cover adopts the retractable and outwardly extended watch chain structure, the contact resistance of the main circuit is small, and the temperature rise is low. Therefore, the ZW20A-12 outdoor pole-mounted vacuum circuit breaker is a maintenance-free product and the best among pole-mounted circuit breakers.
Performance characteristics:
Compared with ZW20-12, ZW20A-12 also adds overcurrent protection, mechanism spring energy storage indication, and is equipped with aviation socket for secondary electrical connection, which is convenient for combination with intelligent controller. Excellent electrical and mechanical properties make the ZW20A-12 outdoor pole-mounted vacuum circuit breaker widely used. It is mainly used to break and close the load current and short-circuit current of 10kV power system. It is suitable for protection and control in power distribution systems of substations and industrial and mining enterprises, and is more suitable for places where the power grid is frequently operated. This product is matched with the controller, has a good reclosing function, and can meet the requirements of the power distribution automatic system.
This product mainly complies with the following standards:
GB1984 High Voltage AC Circuit Breaker
GB/T11022 Common technical requirements for high-voltage switchgear and control equipment standards
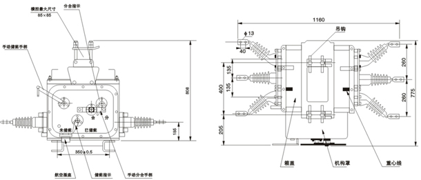
External dimensions:

We welcome global agents, distributors, retailers, and other partners to join us and work together to develop mutually beneficial business relationships. Our products have already been well received by customers in many countries and regions, and we look forward to expanding our reach even further.